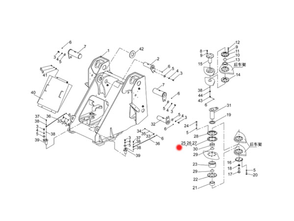
251400313 上軸承蓋調整墊片 Spacer shim 徐工裝載機 XCMG-LW500FN 前車架密封件零件 Front frame seal parts 重量:0.05kg
- 品牌:VTR
- 圖號:251400313
- 適用車型:XCMG-LW500FN
¥
 
0531-85768226
	產品詳情0531-85768226 


Tag: SHACMAN/HOWO/SITRAK/FAW Jiefang/Dongfeng/Oman/Foton/XCMG/Shantui/Sany/Liugong/Saic hongyan/XGMA/Shangchai/xiagong
            






